Product description
Application area
Mainly used in construction machinery
Performance parameter
This series is a large displacement high pressure gear pump with a maximum displacement of 160ml / r and a continuous working pressure of 25MPa. The products are widely used as hydraulic power components in hydraulic systems such as bulldozers and loaders. This pump has a rated pressure of 25MPa, a maximum pressure of 28MPa, a rated speed of 2000r / min, a maximum speed of 2500r / min, a volumetric efficiency of ≥ 90%, and an operating temperature of -20 ~ 95 ° C.
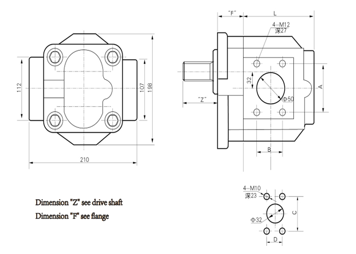
Dimensions

Installation size
